Ningbo Richge Technology Co., Ltd.
Ningbo Richge Technology Co., Ltd.
Tooted
VBI-24 fikseeritud tüüpi isolatsioonisilinder MV vaakumkaitselüliti
  • VBI-24 fikseeritud tüüpi isolatsioonisilinder MV vaakumkaitselülitiVBI-24 fikseeritud tüüpi isolatsioonisilinder MV vaakumkaitselüliti
  • VBI-24 fikseeritud tüüpi isolatsioonisilinder MV vaakumkaitselülitiVBI-24 fikseeritud tüüpi isolatsioonisilinder MV vaakumkaitselüliti

VBI-24 fikseeritud tüüpi isolatsioonisilinder MV vaakumkaitselüliti

Model:VBI-24
VBI -seeria sisevaakumi kaitselüliti on uus põlvkond intelligentseid vaakumkaitselülitid. Selle reaalajas komponendid, sealhulgas suure jõudlusega vaakumkatte ning ülemised ja alumised väljaminevad klemmid, on kapseldatud epoksüvaigu postterminalidesse. See disain aitab vältida saastumist vaakum katkestaja pinnal, suurendades selle isolatsiooniomadusi, mehaanilist stabiilsust ja laiendades tööeluslikku eluiga. VBI-24 küljele kinnitatud vaakum vooluringi keeduklaasi toimimismehhanismi kasutatakse vedru energia jaoks, mida saab kasutada kahel viisil, käsitsi või elektrilised. Omadused on kooskõlas GB1984-89, JB3855-96-ga.<10kv Indoor High Voltage Vacuum Circuit Breaker General Technical Specifications>, IEC56 standardi asjakohased sätted. VBI-24 siseruumides kõrge pingega vaakumkaitselüliti on kolmefaasiline vahelduvvoolu 50Hz , 24kV siseseade nimiväärtus , tööstus- ja kaevandusfirmadele, elektrijaamadele ja alajaamadele elektriseadmete juhtimise ja kaitse eesmärkidena ning koha sagedaseks kasutamiseks.

VBI-24 fikseeritud tüüpi isolatsioonisilinder MV vaakumkaitselüliti

   VBI-24 seeria siseruumides kõrgepinge vaakumlüliti koos manustatud poolustega on kolme fraasi A.C.50 Hz siseruumides jaotusseadmed, mille nimiväärtus pinge on 24 kV.T, mida kasutatakse elektriseadmete kaitsmiseks ja juhtimiseks tööstuse ja kaevandamisseadmete, elektrijaamade ja levitamise valdkondades.

   Seda tüüpi vaakumkaitselüliti peamine juhtiv vooluring koos vedrumehhanismiga on manustatud poolus, mis võib oluliselt parandada isolatsiooni, mehaanilise ja purunemise usaldusväärsust ning realiseerida tõesti vaba hooldust ning pikemat mehaanilist ja elektrilist elu. See tüüpi vaakumlüliti vastab riiklikele standarditele ja IEC standardile. Võime jõuab M-E2-C2 klassi.

   Toodet kasutatakse mitmesuguste lülitusseadmete jaoks, näiteks KYN28-24 (GZS1) ja seda saab fikseerida.

  VBI-24 siseruumides kõrge pingega vaakumkaitselüliti on kolmefaasiline vahelduvvoolu 50Hz , 24kV siseseade nimiväärtus , tööstus- ja kaevandusfirmadele, elektrijaamadele ja alajaamadele elektriseadmete juhtimise ja kaitse eesmärkidena ning koha sagedaseks kasutamiseks.







Põhiteave.


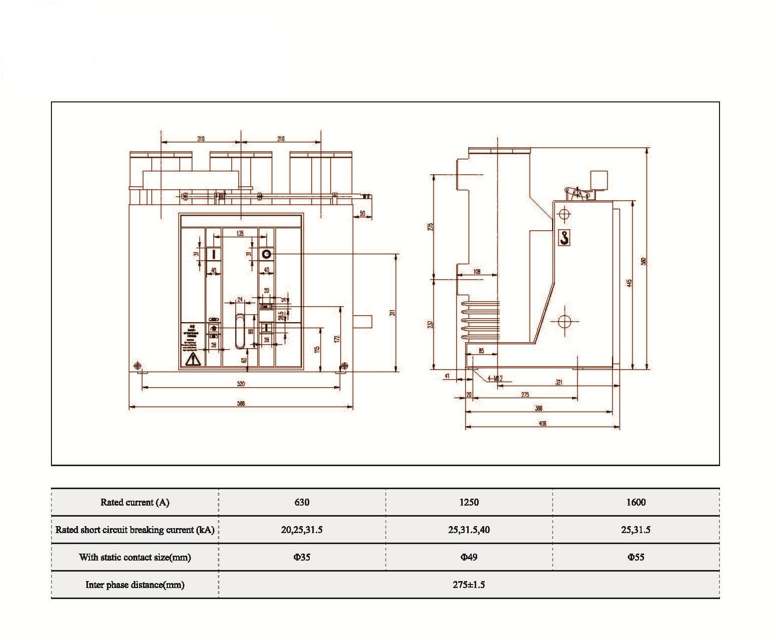
Tehnilised parameetrid




Tehnilised joonistused

KKK

K: Kas ma saaksin teie toodete hindu?

V: Tere tulemast. Palun saatke meile siin päringuid. Vastame teile 24 tunni jooksul.


K: Kas ma saan proovi enne hulgikorraldust?

V: Jah, me tervitame näidiskorraldust kvaliteedi testimiseks ja kontrollimiseks.Mixed proovid on vastuvõetavad.


K: Kas saame oma logo/ ettevõtte nime toodetele printida?

V: Jah, muidugi aktsepteerime OEM -i, siis vajame, et annaksite meile brändiloa


K: Kas aktsepteerite toodete kohandamist?

V: Jah, muidugi, palun esitage konkreetsed joonised või parameetrid, tsiteerime teid pärast hindamist


K: Mis on tarneaeg?

V: Eli aeg sõltub tellitud kogustest, tavaliselt 7-20 päeva jooksul pärast makse saamist.


K: Mis on teie kaubandustingimused?

V: Me aktsepteerime Exw, FOB, CIF, FCA jne.


K: Mis on teie makseviis?  

V: Me aktsepteerime T/T, Western Unionit, Paypal, tühistamatu l/c silmist jne jne


K: Kas kontrollite valmistooteid?

V: Jah, iga tootmise ja valmistoodete samm tuleb QC osakond enne saatmist kontrollima. Ja esitame enne saatmist teie viite jaoks kaupade ülevaatuse aruandeid


K: Kuidas lahendada kvaliteediprobleeme pärast müüki?

V: Tehke fotosid kvaliteediprobleemidest ja saatke meile kontrollimiseks ja kinnitamiseks, teeme teile rahulolu 3 päeva jooksul.




Tehas


Sertifikaat




Kuumad sildid: VBI-24 fikseeritud tüüpi isolatsioonisilinder MV vaakumkaitselüliti, Hiina, tootja, tarnija, tehas, madal hind, kvaliteet, uusim müük, edasijõudnu
Saada päring
Kontaktinfo
Madalpinge jaotusseadmete, kõrgepinge isolaatorite, kõrgepinge maanduslüliti või hinnakirja kohta päringute korral jätke meile oma e-kiri ja me võtame ühendust 24 tunni jooksul.
X
Kasutame küpsiseid, et pakkuda teile paremat sirvimiskogemust, analüüsida saidi liiklust ja isikupärastada sisu. Seda saiti kasutades nõustute meie küpsiste kasutamisega. Privaatsuspoliitika
Keeldu Nõustu