Ningbo Richge Technology Co., Ltd.
Ningbo Richge Technology Co., Ltd.
Tooted
Zn12-12 seeria integreeritud veerulüliti vaakumi kaitselüliti
  • Zn12-12 seeria integreeritud veerulüliti vaakumi kaitselülitiZn12-12 seeria integreeritud veerulüliti vaakumi kaitselüliti
  • Zn12-12 seeria integreeritud veerulüliti vaakumi kaitselülitiZn12-12 seeria integreeritud veerulüliti vaakumi kaitselüliti

Zn12-12 seeria integreeritud veerulüliti vaakumi kaitselüliti

Model:ZN12-12
Zn12-12 seeria siseruumides AC HV vaakumkaitselüliti on kolme faasi AC 50Hz sisevarustus, mille pinge on 12kV, mis tutvustas seda tehnoloogiat Saksamaa ettevõttelt. See sobib igasuguse koormuse ja sagedase tööga ala jaoks ning saab kasutada tööstus- ja kaevandamise, ettevõtluse, elektrijaama ja alajaama elektriruumide kaitseks ja juhtimiseks. See toode on kooskõlas GB1984, JB3855, DL403 ja IEC standarditega seotud nõudega.

Zn12-12 seeria integreeritud veerulüliti vaakumi kaitselüliti

  Zn12-12 siseruumides kõrgepingega vaakumi kaitselüliti nimiväärtuspinge 12kV ja järgmine siseruumides asuv kõrgepinge lüliti, mis on peamiselt paigaldatud fikseeritud lülitisse, tööstuslike ja kaevandusfirmade jaoks, elektrijaamade ja alajaamade jaoks, mis kaitsevad elektrilisi rajatisi ning sobib oluliste koormuste ja sagedase tööde tegemiseks!

  Zn12-seeria vaakumkaitselüliti on siseruumides kõrgepingega lülitusseade, mille nimpinged on 12kV, 24 kV ja 40,5kV ning kolmefaasiline AC 50Hz. See on kodumaine toode, mis on välja töötatud Saksamaa Siemens 3AF -tehnoloogia tutvustamisega. Kaitselüliti töömehhanism on kevadise energia salvestamise tüüp, mida saab kasutada vahelduvvoolu või alalisvoolu või käsitsi. Kaitselülitil on lihtne struktuur, tugev purunemisvõimsus, pikk kasutusaja ja täielikud tööfunktsioonid. Ja plahvatusoht pole ja hooldus on lihtne. See sobib elektriülekande- ja jaotussüsteemide juhtimis- või kaitselülituseks, näiteks elektrijaamadele, alajaamadele ning tööstus- ja kaevandusfirmadele, mis sobib eriti oluliste koormuste ja sagedaste töökohtade purustamiseks. Lülitikapis asuva kaitselüliti paigaldusvorm võib olla kas fikseeritud tüüp või tagasivõttav kaitselüliti. See toode vastab asjakohastele standarditele nagu GB1984, JB3855 ja IEC62271-100 “Kõrgepinge vahelduvvoolulüliti”.


Eelised:

1.Kui kaitselüliti võttis 96. augustil läbi masinate ministeeriumi ja elektrienergia ministeeriumi hinnangu, mis tähendab, et kvaliteet on absoluutselt tagatud.

Kaitselüliti mehhanism on integreeritud lülitiga ja spetsiaalset kevadise energia salvestamise tüüpi ajami mehhanismi saab kasutada vahelduvvoolu ja alalisvoolu energia salvestamise või käsitsi abil.

Lihtsa struktuuri, tugeva purunemisvõime, pika tööiga, täielikud tööfunktsioonid, plahvatusoht ja lihtne hooldus sobib, see kaitselüliti sobib elektriülekande ja jaotussüsteemi juhtimiseks või kaitseks, näiteks elektrijaam, linna elektrivõrk, alajaama jne. See sobib eriti oluliste koormuste ja sagedase töökohtade purustamiseks.


Funktsioonid:

1. kaare kustutuskambri purunemisvõime on kõrge, praegune kandevõime on madal ja elektrieadus on pikk.

2. paigutus on ees, lihtne ja kompaktne struktuur, täielik töö ja lihtne hooldus.

3. Struktuuri ja paigaldamiseks võib need jagada: horisontaalseks fikseeritud tüüpi, kaldu fikseeritud tüüpi, keskmise komplektiga liikuv tüüp.






Põhiteave.



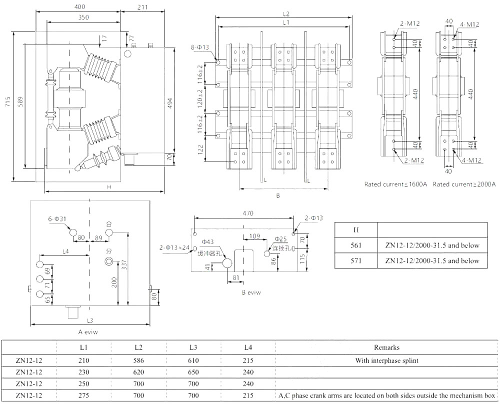
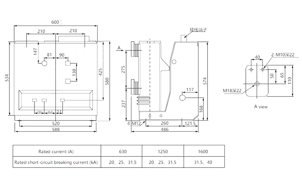
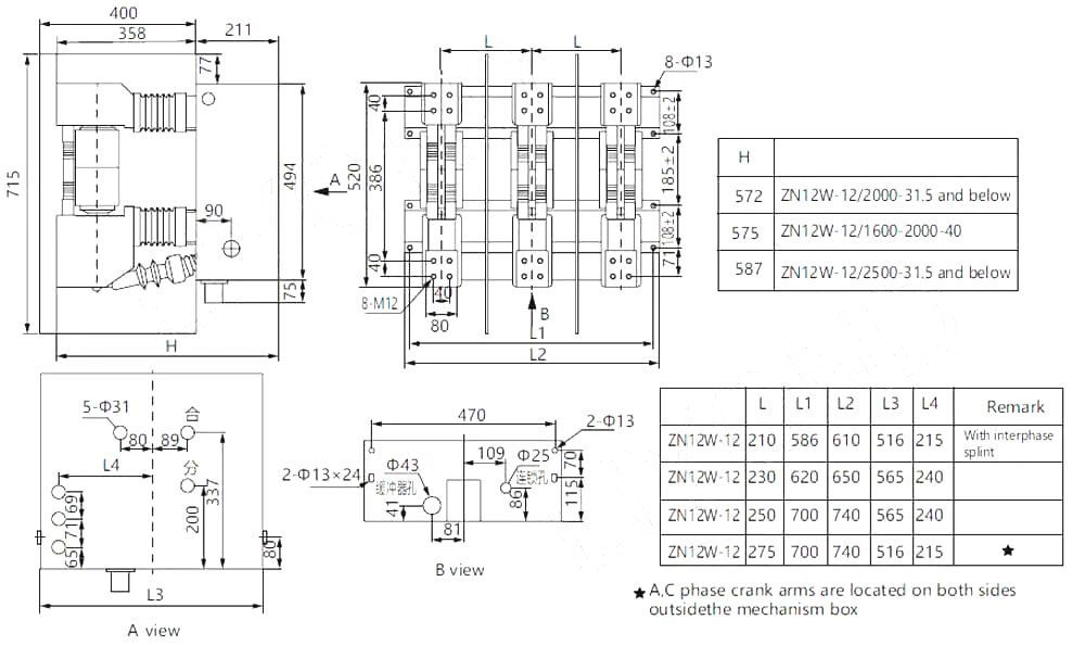
Tehnilised parameetrid



Tehnilised joonistused


Zn12-12 integreeritud kolonni lüliti vaakumi kaitselüliti kasutustingimused1. Kõrgus: ≤1000 m; (Prototüübi kõrgus võib ulatuda alla 4000 meetri)

2. ümbritseva temperatuur: kõrgeim +40 ° C, madalaim -25 ° C;

3. suhteline õhuniiskus: päevakeskmine mitte rohkem kui 95%, kuu keskmine mitte rohkem kui 90%;

4. maavärina intensiivsus: alla 8;

5. Paigalduskeskkond: puudub tulekahju, plahvatusoht, söövitav gaas ja vägivaldne vibratsioonikoht.

6. Kui kasutuskeskkond ületab ülaltoodu, pöörduge vaakumkaitselüliti tootja poole.




KKK

K: Kas ma saaksin teie toodete hindu?

V: Tere tulemast. Palun saatke meile siin päringuid. Vastame teile 24 tunni jooksul.


K: Kas ma saan proovi enne hulgikorraldust?

V: Jah, me tervitame näidiskorraldust kvaliteedi testimiseks ja kontrollimiseks.Mixed proovid on vastuvõetavad.


K: Kas saame oma logo/ ettevõtte nime toodetele printida?

V: Jah, muidugi aktsepteerime OEM -i, siis vajame, et annaksite meile brändiloa


K: Kas aktsepteerite toodete kohandamist?

V: Jah, muidugi, palun esitage konkreetsed joonised või parameetrid, tsiteerime teid pärast hindamist


K: Mis on tarneaeg?

V: Eli aeg sõltub tellitud kogustest, tavaliselt 7-20 päeva jooksul pärast makse saamist.


K: Mis on teie kaubandustingimused?

V: Me aktsepteerime Exw, FOB, CIF, FCA jne.


K: Mis on teie makseviis?  

V: Me aktsepteerime T/T, Western Unionit, Paypal, tühistamatu l/c silmist jne jne


K: Kas kontrollite valmistooteid?

V: Jah, iga tootmise ja valmistoodete samm tuleb QC osakond enne saatmist kontrollima. Ja esitame enne saatmist teie viite jaoks kaupade ülevaatuse aruandeid


K: Kuidas lahendada kvaliteediprobleeme pärast müüki?

V: Tehke fotosid kvaliteediprobleemidest ja saatke meile kontrollimiseks ja kinnitamiseks, teeme teile rahulolu 3 päeva jooksul.




Tehas


Sertifikaat




Kuumad sildid: Zn12-12 seeria integreeritud veerulüliti vaakumi kaitselüliti, Hiina, tootja, tarnija, tehas, madal hind, kvaliteet, uusim müük, edasijõudnu
Saada päring
Kontaktinfo
Madalpinge jaotusseadmete, kõrgepinge isolaatorite, kõrgepinge maanduslüliti või hinnakirja kohta päringute korral jätke meile oma e-kiri ja me võtame ühendust 24 tunni jooksul.
X
We use cookies to offer you a better browsing experience, analyze site traffic and personalize content. By using this site, you agree to our use of cookies. Privacy Policy
Reject Accept